
Részletes termékleírás
| Előny: | Magassebesség | Címkézési sebesség: | 60-200db / perc |
|---|---|---|---|
| Funkció: | Tapadó matricák címkézése | Anyag: | Rozsdamentes acél |
| Palack típusa: | Automatikus kerek palack címke | Alkalmazás: | Mindenféle kerek konténerhez |
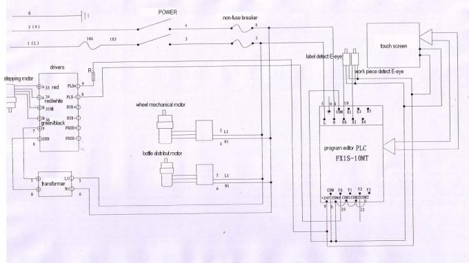
| Plc márka: | MITSUBISHI (Japán) | Szervó címkéző motor: | DELTA (Tajvan) |
vörösbor címkéző gép üveg borosüveg címkéző gép, PLC vezérlőrendszer MITSUBISHI márka címkéző gép
Jellemzők:
1. Működés: A PLC vezérlőrendszer megkönnyíti a címkéző gép kezelését
2. Anyag: A címkézőgép teste SUS304 rozsdamentes acélból készül
3. Konfiguráció: Címkéző gépeink jól ismert japán, német, amerikai, koreai vagy tajvani márkájú alkatrészeket fogadnak el
4. Rugalmasság: Az ügyfél választhat nyomtató és kódgép hozzáadását; választhat, hogy kapcsolatba lép-e a gyárral vagy sem.
Technikai paraméterek:
| Név | Automatikus kerek borosüveg nagy sebességű hüvelyes zsugorodó kerek palack címkézőgéphez |
| Címkézési sebesség | 60-350db / perc |
| Az objektum magassága | 30-350mm |
| Az objektum vastagsága | 20-120mm |
| A címke magassága | 5-180mm |
| A címke hossza | 25-300mm |
| Címkehenger belső átmérője | 76mm |
| Címkehenger külső átmérője | 420mm |
| A címkézés pontossága | ± 1 mm |
| Tápegység | 220V 50 / 60Hz 3,5KW |
| A nyomtató gázfogyasztása | 5 kg / m2 (ha kódológépet ad hozzá) |
| A címkéző gép mérete | 2800 (L) × 1650 (W) × 1500 (H) mm |
| A címkéző gép súlya | 180kg |
Konfiguráció
| Nem. | Rész | márka | Mennyiség |
| 1 | PLC | MITSUBISHI (Japán) | 1 |
| 2 | Fő átalakító | DANFOSS (Dánia) | 1 |
| 4 | HMI | WEINVIEW (Tajvan) | 1 |
| 5 | Szervo címkéző motor | DELTA (Tajvan) | 1 |
| 6 | Szervo feliratú motorvezérlő | DELTA (Tajvan) | 1 |
| 7 | Szállítószalag motor | HY (Tajvan) | 1 |
| 8 | Szállítószalagos motor sebességváltó | HY (Tajvan) | 1 |
| 9 | Osztópalack motor | GPG (Tajvan) | 1 |
| 10 | Osztópalackos motor váltó | GPG (Tajvan) | 1 |
| 11 | Palack elválasztó motor fordulatszám-szabályozó | GPG (Tajvan) | 1 |
| 12 | Küllőmotor | GPG (Tajvan) | 1 |
| 13 | Küllő motor váltó | GPG (Tajvan) | 1 |
| 14 | tárgy érzékeli a mágikus szemet | OMRON (Japán) | 1 |
| 15 | optikai szál | OMRON (Japán) | 1 |
A gép részletei:

32 fő címkézőgép alkatrész

Kördiagramm

GYIK:
1 címke buborékokat kap
Okok:
① a fedélzet lehúzása nem jó / nem lapos;
② az eke tábla nem jó / nem lapos;
③ a címkekimenet túl gyors vagy a szerelősor sebessége túl alacsony;
④ a címke túlságosan meglazult
Megoldások:
① cserélje le a lapos lehúzott deszkát;
② lapos eke deszkát cserélni;
③ lassítsa a címkézés kimeneti sebességét vagy növelje a futószalag sebességét;
④ ütközzen megfelelően a címkeövre.
Címke: ipari címkéző gép, üvegpalack címkéző gép









